Telecom Interconnect Enclosures and Panels
WM02-200
2-SLOT T1/HDSL/DDS WALL MOUNTING
• 2-position unit houses up to 2 slim type or 1 (type-400) T1, HDSL or DDS modules.
• Can be wall or table top mounted.
• Locked cover that swings open cover for easy access.
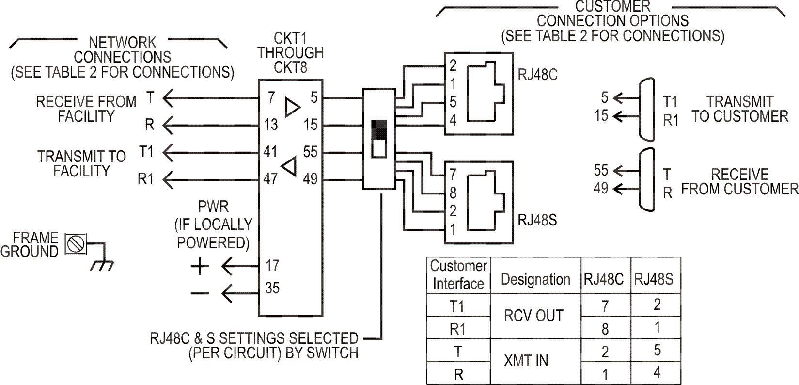
• Front mounted RJ48C/S (switch selectable) modular jacks.
• Network side screw term blocks and customer term block or RJ48.
• Cable routing ports in both the front and rear of the assembly for easier cable routing.
WM04-200
4-SLOT T1/HDSL/DDS WALL MOUNTING
• 4-position unit houses up to 4 slim type or 2 (type-400) T1, HDSL or DDS modules.
• 4-position unit houses up to 4 slim type or 2 (type-400) T1, HDSL or DDS modules.
• Can be wall or table top mounted.
• Locked cover that swings open for easy access.
• Front mounted RJ48C/S (switch selectable) modular jacks.
• Network side screw term blocks and customer term block or RJ48.
• Cable routing ports in both the front and rear of the assembly for easier cable routing.
WM04LP-200
4-SLOT T1/HDSL/DDS WALL MOUNTING WITH 5-PIN PROTECTION
• 4-position unit houses up to 4 slim type or 2 (type-400) T1, HDSL or DDS modules.
• 4-position unit houses up to 4 slim type or 2 (type-400) T1, HDSL or DDS modules.
• Unit has 5-pin type protector sockets for both Facility and CPE sides of the circuit.
• Can be wall or table top mounted.
• Locked cover that swings open for easy access.
• Front mounted RJ48C/S (switch selectable) modular jacks.
• Network side screw term blocks and customer term block or RJ48.
• Cable routing ports in both the front and rear of the assembly for easier cable routing.
WM08-200
8-SLOT T1/HDSL/DDS WALL MOUNTING
• 8-position unit houses up to 8 slim type or 4 (type-400) T1, HDSL or DDS modules.
• 8-position unit houses up to 8 slim type or 4 (type-400) T1, HDSL or DDS modules.
• Wall mountable with removable locking cover for easy access.
• Locking swing open door for easy access to modules.
• Facility connections are 50-pin Amphenol or wire-wrap pins.
• CPE connections are 50-pin Amphenol or RJ48C/S (switch selectable) modular jacks.
• Can be local powered or accommodate modular power supply.
RM23-200
28-SLOT T1/HDSL 23” RACK MOUNTING
• 28-position, 23” RACK that houses up to 28 slim type or 4 (type-400) T1, HDSL or DDS modules.
• Slot for power supply or terminal block for local power.
• Facility connections are 64-pin Amphenol connectors.
• CPE connections are 64-pin Amphenol connectors.
• Optional add-on for CPE connections to be RJ48C jacks..
• Optional locking swing open door for easy access to modules.
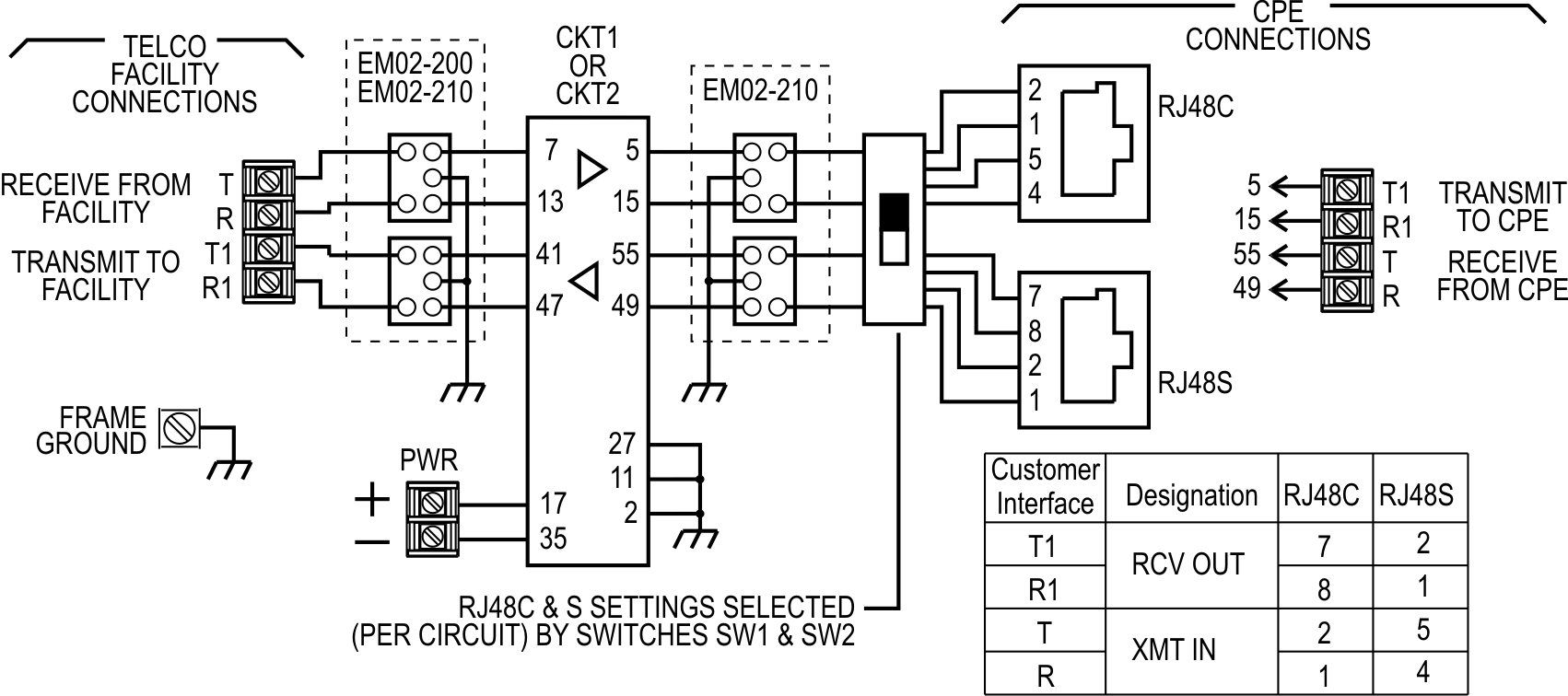
EM02-210
2-SLOT T1/HDSL/DDS OUTDOOR ENCLOSURE WITH 5-PIN PROTECTION ON FACILITY AND CPE SIDE
• 2-position unit houses up to 2 slim type or 1 (type-400) T1, HDSL or DDS modules with Facility and CPE side protection.
• 2-position unit houses up to 2 slim type or 1 (type-400) T1, HDSL or DDS modules with Facility and CPE side protection.
• Made of painted cast aluminum.
• Designed to use proven 5-Pin protectors (not included).
• Separate and secure compartments with access door for customer.
• Can be wall mounted or pole mounted using EM02-AC101 bracket.
• Refer to Technical Pub for additional ordering options.
JP28-100
28-POSITION RJ48C JACK PANEL, 1RU TALL
• 28-position RJ48 jack panel assembly in a 1U height.
• 28-position RJ48 jack panel assembly in a 1U height.
• Made of zinc plated steel.
• Higher density than others 2U models.
• Can be mounted in 19”, 23” or on a wall.
• Connections are made via 32-pair cable connectors, no manual wiring required.
• Designed for easy installation.
JP28-210
28-POSITION RJ48C JACK PANEL WITH 3 VLX/LGX PANELS, 2RU TALL
• 28-position RJ48 jack panel assembly in a 2U height with 3 VLX blank Keystone panels.
• 28-position RJ48 jack panel assembly in a 2U height with 3 VLX blank Keystone panels.
• Made of zinc plated steel.
• Higher flexibility with the use of the 3 VLX plates.
• Can be mounted in 19”, 23” or on a wall.
• Connections are made via 32-pair cable connectors, no manual wiring required.
• Designed for easy installation.
VLX-310
VLX/LGX CASSETTE, 2-POSITIONS OF T1/HDSL/DDS TERMINATION WITH MONITOR JACKS
• LGX™ Type 118 cassette form factor.
• 2 circuits of DS1 or DS0 (switchable) Termination with monitoring jacks.
• Sturdy aluminum construction.
• Available covers in accessories
LGX® is a registered trademark OFS FITEL, LLC
VLX-320
VLX/LGX CASSETTE, 1 POSITION OF T1/HDSL TERMINATION
WITH MONITOR AND BREAKING JACKS
• LGX™ Type 118 cassette form factor.
• 1 circuit of DS1 Termination with monitoring and breaking jacks.
• Sturdy aluminum construction.
• Available covers in accessories.
LGX® is a registered trademark OFS FITEL, LLC
LPB02-TR
PROTECTION BLOCK, 2-LINE T1/HDHL, CPE CONECTIONS WITH RJ48C, TERMINAL BLOCKS ON FACILITY
• 2 position T1/HDHL Line Protector block.
• Designed to use proven 5-Pin protectors (not included).
• Made with sturdy zinc plated steel.
• Can be mounted on wall.
• 2 circuits with terminal block connections on both equipment and OSP side, and 2 circuits with terminal block connections on equipment side and RJ jacks on customer side.
LPB04-TB
PROTECTION BLOCK, 4-LINE T1/HDHL, FACILITY SIDE ONLY WITH TERMINAL BLOCKS
• 4 position T1/HDHL Line Protector block.
• 4 position T1/HDHL Line Protector block.
• Designed to use proven 5-Pin protectors (not included).
• Made with sturdy zinc plated steel.
• Can be mounted on wall.
• Terminal block connections on both equipment side and OSP side for easy installation.
LPB04-RJ
PROTECTION BLOCK, 4-LINE T1/HDHL, CPE SIDE ONLY WITH RJ48C
• 4 position T1/HDHL Line Protector block.
• Designed to use proven 5-Pin protectors (not included).
• Made with sturdy zinc plated steel.
• Can be mounted on wall.
• Terminal block connections on equipment side and RJ jacks on customer side for easy installation.































































